А. Выпрямители

321. Как проверить качество фильтрации выпрямителя?

Качество фильтрации выпрямителя можно проверить помощью прибора, собранного по приводимой схеме. Величина сопротивления вместе с сопротивлением телефона должна равняться величине предполагаемой нагрузки. Конденсатор должен иметь емкость 1–2 мкФ. Прибор включается в выход выпрямителя. Если выпрямитель работает нормально, то фон в телефоне будет едва заметен.

322. В какой полюс выпрямителя ставить сглаживающий дроссель?

С точки зрения фильтрации совершенно безразлично, куда ставить сглаживающий дроссель выпрямителя — в минусовый или в плюсовый провод. Постановка дросселя в минусовый провод имеет некоторое преимущество, так как в случае замыкания вторичной и первичной обмоток силового трансформатора, дроссель явится преградой для прохождения по цепям приемника переменного тока и предохранит лампы приемника от перегорания.

323. Можно ли в выпрямителе вместо дросселя фильтра поставить трансформатор низкой частоты?

Ставить в выпрямителе вместо дросселя фильтра трансформатор низкой частоты нельзя. У трансформатора низкой частоты сердечник обычно очень небольшой и поэтому даже слабый ток доводит такой дроссель до магнитного насыщения, после чего трансформатор перестает быть индуктивным сопротивлением и становится только омическим. Удовлетворительно такой дроссель будет работать только тогда, когда приемник требует небольшого анодного тока, например, при питании одноламповых приемников.

324. Можно ли в фильтре выпрямителя вместо дросселя применять сопротивление?

Вообще говоря, замена дросселя сопротивлением вполне возможна, но практически такую замену произвести можно далеко не всегда. Дроссель удобен тем, что он при малом омическом сопротивлении имеет большое индуктивное сопротивление. Поэтому дроссель хорошо сглаживает пульсацию при незначительном падении напряжения в самом дросселе. Сопротивление тоже может дать хорошее сглаживание пульсации, но при этом в сопротивлении происходит большое падение напряжения. Это падение будет тем больше, чем сильнее ток, потребляемый приемником от выпрямителя. Применять сопротивление вместо дросселя в фильтре выпрямителя можно только в тех случаях, когда приемники, питающиеся от выпрямителей, потребляют небольшой ток. Обычно сопротивления применяются в фильтрах выпрямителей, питающих одноламповые или двухламповые приемники.

325. Где ставить больше микрофарад в фильтре выпрямителя — до дросселя или после дросселя?

От величины емкости, находящейся до дросселя, зависит напряжение, даваемое выпрямителем; от величины же емкости, находящейся после дросселя, т. е. на выходе выпрямителя, зависит пульсация переменного тока. Обычно увеличение емкости до дросселя свыше 2–3 мкФ не нужно. На выходе же в сколько-нибудь мощных выпрямителях приходится ставить большую емкость в 4–6 и больше микрофарад. Таким образом, емкость после дросселя обыкновенно бывает больше, чем до дросселя.

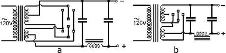
326. Можно ли трехэлектродные, в том числе и подогревные, лампы использовать вместо кенотронов?

Использовать трехэлектродные лампы вместо кенотронов можно. Для того, чтобы производить выпрямление обоих полупериодов, потребуется включение двух трехэлектродных ламп по схеме а.

Включение трехэлектродной лампы по схеме b (однополупериодное выпрямление) даст при работе довольно ощутительный фон. Поэтому при однополупериодном выпрямлении требуются обычно более сложные фильтры, чем при двухполупериодном. Включение трехэлектродной лампы с подогревом производится тем же порядком. С катода (пятой ножки) подогревной лампы берется плюс высокого напряжения.

327. На каких кенотронах может работать СИ-235?

Выпрямитель СИ-235 рассчитан на применение кенотрона ВО-202. При отсутствии этого кенотрона в выпрямитель могут быть поставлены: кенотрон ВО-125, лампа УО-104; в продаже кроме того появился специально разработанный для приемника СИ-235 одноанодный кенотрон ВО-230.

328. Где и какой предохранитель ставится в выпрямителе?

В выпрямителях применяются обычно плавкие предохранители, перегорающие в том случае, если вследствие какой-либо неисправности выпрямитель начинает забирать от сети ток, превышающий нормальный. Плавкий предохранитель включается в цепь до выпрямителя.

Наиболее распространенным типом плавкого предохранителя является предохранитель Бозе.

В большинстве случаев в любительских выпрямителях ставятся предохранители, рассчитанные на ток 0,5 А. В случае отсутствия специального предохранителя, его можно заменить медной проволочкой диаметром 0,05 мм, в крайнем случае — 0,08 мм, или лампочкой от карманного фонаря.

329. Для чего в силовых трансформаторах делается экранирующая обмотка?

Экранирующая обмотка (один слой провода) делается для предупреждения проникновения в приемник различных помех из осветительной сети. Один конец этой обмотки заземляется, другой остается свободным. Экранирующая обмотка помещается между сетевой обмоткой и остальными обмотками силового трансформатора.

330. Что такое секционированный силовой трансформатор?

Секционированным силовым трансформатором называется такой трансформатор, у которого от сетевой обмотки сделано несколько отводов. В сеть, таким образом, можно включать различное число витков первичной обмотки. Секционирование делается для того, чтобы в случае понижения напряжения в сети можно было включать в сеть меньшее, чем нормально, число витков обмотки и тем самым поддерживать постоянство напряжения во вторичных обмотках.

331. Надо ли экранировать силовой трансформатор?

Экранировка силового трансформатора не является обязательной. Силовой трансформатор в приемнике лучше всего располагать около каскадов высокой частоты.

332. Чем отличается автотрансформатор от трансформатора?

Трансформатор имеет две или больше самостоятельных обмоток, находящихся на одном общем железном сердечнике. К одной из этих обмоток, называемой первичной, подводится то напряжение, которое нужно трансформировать, а с остальных обмоток снимается напряжение, соответствующим образом трансформированное, т. е. напряжение большее или меньшее, чем напряжение, подведенное к первичной обмотке.

В автотрансформаторе имеется только одна обмотка. Напряжение, которое нужно трансформировать, подводится к части этой обмотки и тогда со всей обмотки можно снять напряжение более высокое. Величина напряжения будет зависеть от отношения числа витков всей обмотки к той ее части, к которой подведено первичное напряжение. Автотрансформатор такого типа называется повышающим.

Если первичное напряжение подводится ко всей обмотке автотрансформатора, а вторичное снимается с ее части, то вторичное напряжение будет меньше первичного. Такой автотрансформатор называется понижающим.

На рисунке слева изображен трансформатор с тремя обмотками, в центре изображен понижающий автотрансформатор, у которого напряжение сети подводится ко всей обмотке, а снимается напряжение с части; справа изображен повышающий автотрансформатор, у которого напряжение сети подводится к части обмотки, а снимается напряжение со всей обмотки.

333. Когда можно применять силовой автотрансформатор?

Силовой автотрансформатор применяется обычно только для подмагничивания динамиков, когда динамик имеет автономное подмагничивание. Для питания приемников применение автотрансформаторов возможно, но нежелательно, так как в этих случаях к приемнику нельзя непосредственно присоединять землю во избежание заземления осветительной сети.

334. Как упрощенно рассчитать силовой трансформатор?

Прежде всего, нужно определить сечение сердечника будущего силового трансформатора в см2. На получившееся число разделить число 70. Частное покажет, сколько витков обмотки нужно брать на один вольт напряжения. При сечении сердечника в 10 см2 на 1 В напряжения должно приходиться 7 витков обмотки, т. е. для сетевой обмотки, рассчитанной на напряжение в 120 В, нужно намотать 840 витков, для четырехвольтовой обмотки накала — 28 витков и для повышающей обмотки анода в 400 В — 2 800 витков.

Квадратный миллиметр сечения медного провода не следует нагружать током большим, чем 2 А. На основании этого можно вычислить, каким током можно грузить провод того или иного диаметра. Например, провод сечением 0,031 мм2 (диаметром 0,2 мм) можно грузить током (2 А·0,031)=0,062 А или 62 мА.

335. Можно ли питать накал ламп с тонкими нитями непосредственно от купроксного выпрямителя?

Питание накала ламп от купроксных выпрямителей не применяется, так как при таком способе питания трудно избавиться от шума (купроксный выпрямитель дает сильную пульсацию).

336. Зачем делается средняя точка на обмотках накала?

Средняя точка у обмоток накала кенотрона делается для того, чтобы несколько уменьшить колебания напряжения, даваемого выпрямителем. С обмоток накала кенотрона, как известно, снимается плюс выпрямленного тока. Если этот плюс взять от одного из концов обмотки накала, то напряжение будет колебаться на величину напряжения, даваемого этой обмоткой, т. е. на величину в 4 В в одну и в другую сторону.

Что касается обмотки, предназначенной для накала ламп приемника, то в этих обмотках средняя точка делается для заземления обмотки. Нужно иметь в виду, что заземление средней точки имеет значение только в том случае, если в приемнике имеется лампа прямого накала, потому что в схеме приемника сетка лампы всегда соединяется с землей и нитью накала. Если заземлена будет не средняя точка, а один из концов обмотки накала, то сетка будет получать какое-то переменное напряжение, которое будет проявляться в виде фона переменного тока. Если же в приемнике работают только подогревные лампы, то заземление можно приключать как к средней точке, так и к одному из концов обмотки накала.

337. Можно ли питать накал подогревных ламп от трансформатора «Гном»?

Использовать трансформатор типа «Гном», вследствие его маломощности, для питания накала подогревных ламп нельзя.

338. Почему пробиваются конденсаторы фильтра выпрямительной части приемника?

Конденсаторы фильтра пробиваются потому, что они оказываются под напряжением более высоким, чем то, на которое они рассчитаны. Такое высокое напряжение может появиться на обкладках конденсаторов при различных обстоятельствах. В приемнике с отдельным громкоговорителем, не имеющим выходного трансформатора, как например, в приемниках типа ЭЧС-2, конденсаторы могут пробиваться при включении приемника в сеть, если при этом громкоговоритель не соединен с приемником — в это время на выпрямителе нет нагрузки и на конденсаторах его фильтра развивается очень высокое напряжение.

Пробиваться могут конденсаторы также в тех приемниках, в которых работают во всех каскадах подогревные лампы, которые разгораются значительно медленнее кенотрона, вследствие чего выпрямитель первое время после включения работает без нагрузки, т. е. развивает очень высокое напряжение.

Точно также пробивание конденсаторов может произойти при отсоединении выпрямителя от радиоустановки, когда напряжение сети не выключено или не выключен накал кенотрона; когда включается в выпрямитель напряжение сети, а радиоустановка (нагрузка) от выпрямителя отключена. В обоих этих случаях конденсаторы пробиваются также вследствие появления на их обкладках большего напряжения, чем то напряжение (пробивное), на которое они рассчитаны.

Для предохранения конденсаторов фильтра от пробоя можно применить автоматическое приспособление (термореле) для включения выпрямителя лишь после того, как разгорятся лампы приемника.

339. Почему пробиваются конденсаторы фильтра, когда выпрямитель работает без нагрузки?

Когда от выпрямителя берется ток, т. е. выпрямитель работает на какую-то нагрузку, то в повышающей обмотке выпрямителя происходит падение напряжения и поэтому общее напряжение, даваемое выпрямителем, уменьшается на то количество вольт, которое падает в его обмотке. Если выпрямитель работает без нагрузки, то в его обмотках никакого падения напряжения не происходит и на конденсаторах фильтра оказывается то полное напряжение, которое создается на концах повышающей обмотки. Кроме того, нужно иметь в виду, что это напряжение будет фактически в 1,4 раза больше чем то, которое получается при сопоставлении чисел витков сетевой и повышающей обмоток. Если, например, выпрямитель включен в сеть напряжением 120 В, а повышающая обмотка имеет в 3 раза больше витков, чем сетевая, то напряжение на концах этой обмотки будет не 120·3=360 В, а 120·3·1,4=504 В.

340. Какое напряжение может развиваться на конденсаторах фильтра в выпрямителях, работающих без нагрузки?

На конденсаторах фильтра выпрямителя, работающего без нагрузки, развивается напряжение, превышающее максимальное напряжение, даваемое повышающей обмоткой, в 1,4 раза. Таким образом, если повышающая обмотка силового трансформатора рассчитана на напряжение, например, в 300 В, то при работе выпрямителя вхолостую на конденсаторах его фильтра появится напряжение около 425 В.

341. Почему при работе кенотрона с пониженным накалом его нить накала может перегореть?

При нормальном накале кенотрона почти все напряжение, даваемое повышающей обмоткой трансформатора, падает на нагрузке, а на самом кенотроне падает лишь незначительная часть этого напряжения в 30–40 В. Объясняется это тем, что внутреннее сопротивление кенотрона, работающего с нормальным накалом, очень мало и поэтому на нем падает малая часть напряжения. Если кенотрон работает с малым накалом и катод его поэтому дает небольшую эмиссию, то внутреннее сопротивление кенотрона возрастает и может во много раз превысить сопротивление нагрузки. В этом случае большая часть и даже почти все напряжение, даваемое повышающей обмоткой силового трансформатора, будет падать на самом кенотроне. Напряжение это может доходить до многих сотен вольт, что и является причиной гибели кенотрона.

342. Почему греется силовой трансформатор?

Нагревание силового трансформатора может происходить по трем причинам:

1) малое количество железа (неправильный расчет трансформатора на заданную мощность);

2) короткое замыкание части витков первичной или вторичной обмоток и

3) работа трансформатора с перегрузкой (от трансформатора берется большая мощность, чем та, на которую он рассчитан).

343. Почему аноды кенотрона раскаляются докрасна?

Раскаливание анодов кенотрона является показателем наличия короткого замыкания цепей высокого напряжения в радиоустановке. Чаще всего это происходит при пробивании одного из конденсаторов фильтра.

344. Как обнаружить короткое замыкание в радиоустановке, вызывающее раскаливание анодов кенотрона?

Надо отключить из фильтра выпрямителя конденсаторы и включить выпрямитель в приемник. Если аноды кенотрона будут продолжать раскаливаться, значит короткое замыкание находится в приемной части установки. Если же раскаливание прекратилось, то короткое замыкание — в выпрямителе, т. е. в конденсаторах.

345. Как предохранить кенотрон от перегорания при пробое конденсаторов фильтра?

Последовательно с конденсаторами фильтра включаются плавкие предохранители (например, провод диаметром 0,05 мм). В случае пробоя конденсатора — предохранитель перегорит и кенотрон не выйдет из строя. Такое устройство позволяет после пробоя конденсатора выпрямителю продолжать свою работу (хотя и с худшей фильтрацией), и помимо того, по перегоревшей проволоке сразу видно, какой конденсатор пробит.

346. Как устроен купроксный выпрямитель?

Пластинка красной меди, покрытая с одной стороны в определенных технологических условиях слоем закиси меди, вместе с прижатой к этому слою медной же пластинкой, получает свойство пропускать ток в одном направлении лучше, чем в другом. Этим свойством пользуются для выпрямления переменного тока. При помощи нескольких пар пластинок можно собрать выпрямитель для выпрямления обоих полупериодов.

Для изготовления купроксного выпрямителя нужна химически чистая медь. В радиолюбительских условиях достать такую медь очень трудно (электротехническая не является химически чистой). Кроме того, для изготовления доброкачественного купроксного выпрямителя нужно нагревать пластинки до строго определенной температуры, чего в любительских условиях добиться также трудно. Поэтому самостоятельное изготовление купроксных выпрямителей для радиолюбителей очень сложно.

347. Можно ли пользоваться электролитическим выпрямителем для зарядки аккумуляторов?

При условии правильного расчета электролитических выпрямителей, пользоваться ими для зарядки аккумуляторов вполне возможно.

348. Можно ли включать силовой трансформатор в сеть постоянного тока?

Включать трансформатор в сеть постоянного тока нельзя. Обмотка трансформатора имеет сравнительно небольшое омическое сопротивление, но зато очень большое индуктивное сопротивление. Поэтому по такой обмотке, включенной в сеть переменного тока, течет сравнительно очень небольшой ток. Индуктивное сопротивление обычно бывает настолько больше омического сопротивления, что последним можно пренебречь и считать, что действующее сопротивление обмотки равно ее индуктивному сопротивлению. При постоянном токе приходится считаться только с чисто омическим сопротивлением обмотки, которое очень мало, и вследствие этого сила тока, протекающего по обмотке, достигает большой величины, отчего эта обмотка почти мгновенно пережигается, если, конечно, раньше не перегорят предохранители.

349. Как узнать, какой ток в сети — постоянный или переменный?

В стакан с соленой водой опускают два проводника, соединенных с электросетью. В один из проводников последовательно включена электролампа. Если ток постоянный, то на одном из проводников будет выделяться значительно больше пузырьков, чем на другом. Помимо того, большее выделение пузырьков на одном из проводников показывает, что этот провод соединен с минусовым полюсом.

350. Как питать аноды ламп приемника от сети постоянного тока?

Питать аноды от сети постоянного тока можно, применив такой же фильтр, как и в выпрямителе переменного тока, т. е. состоящий из дросселя и из двух групп микрофарадных конденсаторов.

К приемнику, питаемому по такому способу, присоединять непосредственно землю нельзя, так как это может привести к замыканию сети на землю, а в некоторых случаях и пережиганию ламп. Земля должна присоединяться через конденсатор постоянной емкости с надежной изоляцией. Для большей безопасности необходимо, чтобы по схеме приемника заземлен был минус накала, а минус анодного напряжения соединялся бы также с минусом накала.

351. Можно ли приспособить батарейный и сетевой приемники для питания от сети постоянного тока?

Для питания от сети постоянного тока проще всего приспособить батарейный приемник. Перевод же на питание от сети постоянного тока приемников, работающих от сети переменного тока, более труден и подчас требует коренной переделки приемника, ибо в этих случаях приходится заменять лампы, предназначенные для переменного тока, лампами батарейными (которые расходуют в несколько раз меньше тока) и уже такой переделанный приемник приспосабливать для питания от сети постоянного тока.

352. Можно ли пользоваться для питания приемников сетью постоянного тока с напряжением в 120 В?

Подогревные лампы, ставящиеся в сетевые приемники, требуют для питания анодов ламп напряжение не ниже 200 В.

При анодном напряжении в 120 В подогревные лампы будут работать плохо. На бариевые лампы может подаваться анодное напряжение порядка 100–120 В, и если речь идет только о питании анодов ламп приемника от сети постоянного тока указанного напряжения, то такой сетью пользоваться для приемника с бариевыми лампами можно.

353. Что значит «радиоустановка потребляет столько-то ватт»?

Каждый приемник, питающийся от осветительной сети, потребляет из этой сети некоторое количество электроэнергии. В электротехнике энергию принято измерять ваттами. Для того, чтобы узнать, сколько ватт потребляет приемник — надо напряжение осветительной сети постоянного тока помножить на силу тока, потребляемую приемником. Если, например, напряжение осветительной сети равно 120 В, а приемник потребляет 0,5 А, то энергия, потребляемая им, равна 120·0,5=60 Вт. Для сравнения энергии, расходуемой приемником, с энергией, потребляемой осветительными лампами, надо иметь в виду, что угольная осветительная лампочка берет на свечу около 3,5 Вт, экономическая лампочка берет на свечу 1,1 Вт. Мощные, так называемые полуваттные, лампы потребляют на свечу около 0,75 Вт. Таким образом, полуваттная лампа — 100 свечная расходует примерно 100·0,75=75 Вт. Хотя указанный выше метод определения потребляемой мощности в случае переменного тока не совсем точен, все же пользование им больших ошибок практически не вносит. Энергия, потребляемая приемниками от сети переменного тока, равна в среднем 40–60 Вт. Такую мощность потребляют приемники типа ЭЧС, ЭКЛ и т. д. Радиограммофон потребляет около 120 Вт.

354. Сколько платить за энергию, расходуемую радиоустановкой?

Для вычисления стоимости электроэнергии, израсходованной радиоустановкой в месяц, нужно перемножить число часов работы в день радиоустановки, число ватт потребляемой мощности и число дней месяца. Полученное число (в ваттах) преобразовать в гектоватты, для чего его нужно разделить на 100, или в киловатты (разделить на 1 000); и, наконец, полученный результат помножить на стоимость гектоватт-часа или киловатт-часа. Приводим таблицу расхода электроэнергии при питании различных радиоустановок и стоимости этой электроэнергии.

Расчет расхода электроэнергии на питание радиоприемников от сети и стоимости питания в месяц по тарифу 20 коп. за киловатт-час

Пример. Приемник ЭЧС-2 работает ежедневно с 8 до 12 часов ночи, т. е. по 4 часа, расход электроэнергии в месяц 6 кВт-ч, стоимость 6·20=1 р. 20 к.

355. Можно ли приемник, предназначенный для работы от батарей, перевести на питание от сети переменного тока?

Перевод батарейного приемника на питание от сети переменного тока осуществить возможно, но такая переделка потребует замены всех ламп, стоящих в приемнике, лампами, предназначенными для питания от переменного тока, и переделки схемы приемника. В некоторых случаях потребуется серьезная реконструкция приемника, ибо лампы, предназначенные для работы от переменного тока, дают большее усиление, чем лампы батарейные, и если приемник плохо экранирован, то, будучи переделан на работу с такими лампами, он начнет самовозбуждаться.

356. Как включить выпрямитель, рассчитанный на 120 В, в сеть переменного тока напряжением 220 В?

Проще всего это можно сделать так: выпрямитель включается не непосредственно в сеть, а через электролампу (220-вольтовую, экономическую), являющуюся в данном случае реостатом. При правильно подобранной лампе выпрямитель должен давать нормальное напряжение, а трансформатор не должен сильно перегреваться. При этом надо помнить, что сопротивление лампы тем больше, чем меньше количество свечей, даваемое ею. Подбор лампы-реостата следует начать с 15-свечной лампы.

Более 800 000 книг и аудиокниг! 📚

Получи 2 месяца Литрес Подписки в подарок и наслаждайся неограниченным чтением

ПОЛУЧИТЬ ПОДАРОК