13. Низкая частота

233. Как правильно включить в схему трансформатор низкой частоты?

Правильным включением трансформатора низкой частоты является такое включение, которое обеспечивает наименьшую емкость между тем концом, который обращен к аноду предыдущей лампы, и тем концом, который обращен к сетке следующей лампы. Такая наименьшая емкость обеспечивается присоединением начала первичной обмотки (обозначаемой Ш) к аноду предыдущей лампы и конца вторичной обмотки (КП) к сетке следующей лампы. Соответственно с этим конец первичной обмотки (KI) соединяется с плюсом источника анодного напряжения и начало вторичной обмотки (НП) с катодом лампы (см. вопрос 389).

234. Что такое коэффициент трансформации?

В радиолюбительской практике под коэффициентом трансформации понимается обычно отношение чисел витков первичной и вторичной обмоток трансформатора. Если, например, число витков первичной обмотки равно 5 000, а вторичной 15 000, то считается, что коэффициент трансформации равен 3 или отношение витков в обмотках равно 1:3.

На самом деле коэффициентом трансформации называется число, показывающее, во сколько раз переменное напряжение вторичной обмотки будет больше или меньше напряжения, подведенного к первичной обмотке. Этот действительный коэффициент трансформации зависит от частоты и не одинаков при различных частотах. Постоянство коэффициента трансформации является характерным признаком качества трансформатора. Чем шире тот диапазон, в котором трансформатор имеет неизменный коэффициент трансформации, тем трансформатор лучше. Практически построить такой трансформатор с равномерным пропусканием частот, т. е. с одинаковым коэффициентом трансформации на всем диапазоне, чрезвычайно трудно.

235. Какой коэффициент трансформации является наиболее выгодным?

Для междукаскадной связи в радиовещательных приемниках чаще всего применяются трансформаторы с отношением чисел витков обмоток 1:2 или 1:3. В батарейных приемниках (например, БИ-234) применяются иногда трансформаторы, имеющие отношение витков обмоток 1:4. Такие же отношения чисел витков (или даже больше) применяются и в тех случаях, когда усилитель низкой частоты работает от детекторного приемника. Микрофонные трансформаторы имеют значительно большие коэффициенты трансформации, примерно от 25 до 100.

236. Что такое «усиление по классу В»?

Такое название носят оконечные усилители низкой частоты, состоящие из двух отдельных или заключенных в одном баллоне ламп и работающие по пушпульной схеме. Отличие усилителей класса В от обычных усилителей пушпульного типа состоит в том, что лампы усилителя, работающего по классу В, поставлены в такой режим, что при отсутствии раскачки усилитель почти не потребляет анодного тока. Потребление анодного тока происходит только в тот момент, когда сигналы попадают на вход этого усилителя. Эта отличительная черта усилителей, работающих по классу В, делает их очень экономичными, что особенно важно в приемниках, питающихся от батарей, в которых эти усилители обычно и применяются. В сетевых приемниках усилители, работающие по классу В, не нашли сколько-нибудь широкого применения.

Пушпульные усилители обычного типа в настоящее время часто называются усилителями класса А. Они отличаются тем, что рабочая точка их устанавливается в середине прямолинейного участка характеристики каждой из двух ламп, составляющих пушпульный каскад.

Существуют также пушпульные усилители класса С. В этих усилителях на лампы, входящие в состав пушпульного каскада, не подается отрицательных сеточных смещений и поэтому лампы работают обыкновенно в режиме сеточного тока. Для того, чтобы раскачать такой каскад, нужна довольно большая мощность и поэтому предварительный каскад усиления, стоящий перед выходным, должен быть достаточно мощным.

237. Что называется усилителями на трансформаторах?

Усилителями на трансформаторах называют такие усилители, в которых применены трансформаторы высокой или низкой частоты. Усилители высокой частоты на трансформаторах являются резонансными усилителями.

238. Что называется усилителями на дросселях?

Усилителями на дросселях называются усилители, в которых в качестве нагрузки анодной цепи применены дроссели.

239. Что называется усилителями на сопротивлениях?

Усилителями на сопротивлениях называются такие усилители, в которых анодной нагрузкой усилительных ламп является омическое сопротивление. Усилители на сопротивлениях обычно применяются для усиления низкой частоты.

240. Какое усиление низкой частоты следует предпочесть: на трансформаторах, на дросселях или на сопротивлениях?

Каждый из этих трех видов усиления имеет свои преимущества и недостатки.

Схема с трансформаторами дает большее усиление по напряжению, чем схема с дросселями или сопротивлениями, но в то же время эта схема обычно дает наиболее заметные искажения. Лишь при использовании первоклассных трансформаторов можно получить довольно хорошее пропускание частот.

Схема усиления низкой частоты на сопротивлениях теоретически может дать наиболее естественное воспроизведение, так как обеспечивает равномерное пропускание всей полосы звуковых частот, используемых в радиовещании. Однако на практике такая прямолинейная частотная характеристика не всегда может оказаться благоприятной, потому что работа приемной установки зависит не только от полосы пропускания звуковых частот в усилителе низкой частоты, но и от целого ряда других причин, чрезвычайно трудно поддающихся учету.

В частности, различные части приемника, например, ящик, динамик, нередко срезают высокие частоты. В результате приемник с прямолинейной частотной характеристикой усилителя низкой частоты тем не менее может давать искаженное воспроизведение передачи. В таких случаях бывает необходимо увеличить усиление высоких частот каскадами низкой частоты, что довольно трудно сделать в усилителях на сопротивлениях.

Усилители на дросселях в любительской практике не обеспечивают прямолинейности частотной характеристики при применении ламп с большим Ri. В этих усилителях очень часто бывают несколько срезаны низкие частоты и подчеркнуты высокие. Умелым подбором элементов схемы в усилителях на дросселях удается получить в итоге воспроизведение, кажущееся нашему уху наиболее естественным.

Выбор типа усилителя низкой частоты зависит также и от других обстоятельств, например, от величины допустимого анодного напряжения. В этом отношении наименее выгодными оказываются усилители на сопротивлениях. Для того, чтобы при связи на сопротивлениях получить достаточное усиление и хорошее воспроизведение, нужно, чтобы величина анодного сопротивления была в два-три раза больше Ri лампы. При современных лампах величина анодного сопротивления должна измеряться десятками, а иногда и сотнями тысяч ом. В сопротивлениях такой величины происходит большое падение напряжения и поэтому напряжение источников анодного напряжения должно быть очень высоким. В силу этого усилители низкой частоты на сопротивлениях применяются главным образом в приемниках, питающихся от осветительной сети.

В батарейных приемниках чаще всего применяют усилители на трансформаторах, так как усилители этого типа не требуют повышенного анодного напряжения и обеспечивают большое усиление каскада. В батарейных приемниках это обстоятельство является особенно важным, так как эти приемники строятся обычно в расчете на наибольшую экономию питания. Поэтому здесь выгоднее получить от каскада большее усиление и сэкономить за счет этого число каскадов.

Усилители на дросселях применяются в батарейных и в сетевых приемниках и не требуют повышенного анодного напряжения. Особенно распространены усилители на дросселях в самодельных любительских приемниках.

241. Почему усилители низкой частоты на сопротивлениях обеспечивают равномерное пропускание всех частот звукового диапазона?

Основным условием равномерности пропускания частот является одинаковое сопротивление анодной нагрузки лампы для всех частот. Омические сопротивления и обладают именно этим свойством — величины их совершенно одинаковы для любых частот не только звукового диапазона, но даже и для радиочастот. В силу этого они и обеспечивают наибольшую равномерность усиления.

242. Почему усилители на трансформаторах и дросселях не обеспечивают равномерного пропускания частот?

В схемах на трансформаторах и дросселях анодной нагрузкой лампы является первичная обмотка трансформатора низкой частоты или обмотка дросселя низкой частоты. Величина анодной нагрузки в этом случае определяется индуктивностью первичной обмотки трансформатора или обмотки дросселя. Индуктивное сопротивление трансформатора или дросселя не одинаково для различных частот. Оно представляет собою наименьшую величину для низких частот и возрастает по мере увеличения частоты.

Чем выше величина сопротивления анодной нагрузки, тем большее усиление дает каскад. Вследствие того, что индуктивная нагрузка трансформатора или дросселя представляет большее сопротивление для высоких частот, чем для низких, то и усиление на высоких частотах будет больше, чем на низких частотах. Таким образом, в этих усилителях будут подчеркиваться высокие частоты и будут как бы срезаться низкие.

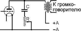
243. Как включается и действует регулятор тона (тон-контроль)?

Схем включения тон-контроля довольно много. Наиболее распространенной является схема, приведенная на рисунке. К аноду оконечной лампы одним из своих концов присоединяется конденсатор С емкостью в 0,05-0,025 мкФ, другим концом этот конденсатор через переменное сопротивление соединяется с катодом. Так как емкостное сопротивление конденсатора зависит от частоты, (чем выше частота, тем меньше емкостное сопротивление конденсатора), то при закороченном сопротивлении высокие частоты будут проходить через конденсатор С, минуя первичную обмотку выходного трансформатора, являющуюся нагрузкой оконечной лампы. Низкие частоты будут проходить лучше через первичную обмотку трансформатора, а не через конденсатор. При введенном сопротивлении (величина его в 4–5 раз больше внутреннего сопротивления оконечной лампы) цепь конденсатора С будет представлять большее сопротивление, чем нагрузка даже для высоких частот. В этом случае и высокие, и низкие частоты будут проходить через нагрузку.

Эта схема особенно хорошо действует при применении в качестве выходной лампы низкочастотного пентода.

244. Что такое компенсационный регулятор тона?

Одним из недостатков обычных регуляторов тона является то, что при регулировке тона фактически происходит изменение не только тона воспроизведения, но и громкости воспроизведения. Так, например, если регулятором тона срезаются высокие частоты, то при этом весьма значительно понижается и громкость приема. В наиболее совершенных приемниках применяются довольно сложные компенсационные схемы, которые при срезании каких-либо частот автоматически увеличивают усиление других частот, так что в результате громкость не изменяется.

245. Что называется сечением сердечника?

Сечением сердечника называется площадь поперечного разреза сердечника. Сечение выражается в квадратных сантиметрах.

246. Какое железо надо брать для сердечника трансформатора?

Сердечники трансформаторов следует собирать из специальных сортов железа, называемого «трансформаторным». В крайнем случае, для силовых трансформаторов можно делать сердечники из мягкого листового железа, обладающего небольшим остаточным магнетизмом. Собирать низкочастотные трансформаторы не на специальных сортах железа не рекомендуется — качество таких трансформаторов будет очень низким.

247. Когда в сердечниках трансформаторов делается зазор?

Зазор обыкновенно делается в выходных трансформаторах для того, чтобы не допустить насыщения сердечника магнитными линиями. Выходные трансформаторы без воздушного зазора получаются громоздкими.

248. Нужно ли соблюдать направление витков в трансформаторе?

Направление витков в различных обмотках трансформаторов не обязательно должно быть одинаковым.

249. Как лучше мотать трансформатор низкой частоты — секциями или помещая одну обмотку на другой?

В трансформаторах низкой частоты того типа, который применяется в радиолюбительской практике, с электрической стороны безразлично, каким будет взаимное расположение обмоток. Как в первом, так и во втором случаях, указанных в вопросе, трансформатор будет работать одинаково. В отношении же удобства ремонта предпочтительнее трансформатор, намотанный секциями. Секционное расположение обмоток облегчает к ним доступ и ремонт.

250. Можно ли на сердечник трансформатора низкой частоты мотать сначала вторичную, а поверх нее первичную обмотку?

При существующих требованиях к любительским трансформаторам безразлично — будет ли намотана на каркасе сначала первичная обмотка, а поверх нее вторичная или же наоборот. Последнее практически несколько удобнее. Необходимо учесть при перемотке, что соотношение витков после перемены местоположения обмоток должно быть оставлено прежним. В противном случае работа трансформатора может ухудшиться.

251. Как правильно сделать отвод от середины обмотки трансформатора?

При выводе средней точки обмотки трансформатора нельзя исходить из расчета общей длины провода, деля ее пополам. Нужно выводить среднюю точку от середины намотки. Для того, чтобы эта точка действительно вышла средней, лучше всего намотать обмотки двумя равными рядами, расположенными секциями, и вывести среднюю точку от провода, соединяющего обе секции.

252. Для чего делается в трансформаторах низкой частоты короткозамкнутая обмотка?

Короткозамкнутая обмотка (4–5 витков) на низкочастотных трансформаторах имеет своей целью выравнивание характеристики трансформатора, т. е. способствует более равномерному усилению различных частот.

253. В каких случаях нужно шунтировать сопротивлением вторичную обмотку трансформатора низкой частоты?

Если трансформатор низкой частоты имеет недостаточно хорошую характеристику, то она в известных пределах может быть выправлена путем шунтирования сопротивлением вторичной обмотки трансформатора. Шунтировка сглаживает резонансные пики и выпрямляет частотную характеристику трансформатора. Усиление при этом несколько понижается.

254. Какие трансформаторы называются концертными?

Концертными трансформаторами низкой частоты, применяющимися для связи между каскадами, называются такие трансформаторы, которые рассчитаны на равномерное пропускание широкой полосы звуковых частот.

255. Почему портятся трансформаторы низкой частоты?

Наиболее часто встречающаяся порча трансформаторов низкой частоты — обрыв в одной из его обмоток. Причины обрыва бывают довольно разнообразными. Очень часто нарушение целости обмотки происходит вследствие того, что при сборке трансформаторов применяется пайка помощью кислоты, которая очень быстро разъедает провод. Такое же разъедание наблюдается и при пайке проводов помощью тиноля и других аналогичных паяльных паст. Разъедание проводов иногда наблюдается и при пайке канифолью, вследствие наличия в ней посторонних примесей.

256. Почему греется обмотка трансформатора низкой частоты?

Каждый трансформатор низкой частоты рассчитан на работу с лампами определенных типов и следовательно, рассчитан на пропускание анодного тока определенной величины, соответствующего лампам данного типа. Если трансформатор, предназначенный для работы в анодной цепи маломощной лампы, включить в цепь мощной лампы, потребляющей большой анодный ток, то обмотка трансформатора будет нагреваться. Так, например, существующие у нас трансформаторы низкой частоты нельзя включать в анодную цепь лампы УО-104, так как она потребляет большой ток.

257. Как можно временно использовать вышедший из строя трансформатор низкой частоты?

Вышедший из строя трансформатор низкой частоты можно оставить на работе в приемнике без перемотки, внеся лишь незначительные изменения в схему (превращение трансформаторной схемы усиления в схему усиления на дросселе). Так как обычно портится первичная обмотка, то намоткой дросселя будет служить вторичная обмотка трансформатора. Начало вторичной обмотки трансформатора, используемой в качестве дросселя, соединяется с анодом предыдущей лампы, а конец — с плюсом анодного напряжения. Для связи между лампами ставится хороший слюдяной конденсатор в 3–8 тыс. см.

На рисунке а показана часть схемы при нормально работающем трансформаторе низкой частоты, на рисунке b та же часть схемы, но с использованием вторичной обмотки в качестве дросселя.

258. Какую полосу частот пропускают наши приемники?

Большинство наших фабричных приемников воспроизводит неширокую полосу частот. Приемники типа ЭЦС, ЭКЛ без обратной связи пропускают полосу приблизительно до 3 000—4 000 Гц, а при применении обратной связи полоса сужается до 2 000-1 500 Гц.

259. Какую полосу пропускания частот в современных приемниках следует считать нормальной?

Большинство приемников, фабричных или собираемых радиолюбителями, несколько лет назад имело очень узкую полосу частот (обычно до 1 500-2 000 Гц). Такие приемники обладали специфическим «бочкообразным» глухим тембром. Как показали опыты, для действительно неискаженного воспроизведения нужна полоса частот примерно от 30 до 13 000-14 000 Гц. Однако, пропускание и воспроизведение такой широкой полосы сопряжено с большими техническими трудностями и поэтому в приемниках удовлетворяются много меньшей полосой. В настоящее время считают, что для обычных слушательских приемников совершенно достаточным является воспроизведение полосы частот примерно от 80 до 10 000 Гц. Приемники, которые пропускают и воспроизводят такую полосу частот, работают вполне естественно и те небольшие искажения, которые они все же дают, могут быть замечены только человеком с очень тонко развитым музыкальным слухом. В высококачественных приемниках (приемниках «высокой верности воспроизведения» — high fidelity) полоса пропускания частот громких станций доводится до 10 000-12 000 Гц.

Более 800 000 книг и аудиокниг! 📚

Получи 2 месяца Литрес Подписки в подарок и наслаждайся неограниченным чтением

ПОЛУЧИТЬ ПОДАРОК