Электроустановочные устройства
Электроустановочными устройствами называются выключатели и переключатели (кроме пакетных), штепсельные розетки, патроны, предохранители и колодки с зажимами.
Схемы соединения и включения в сеть выключателей и переключателей представлены на рис. 21.
Контактные зажимы для присоединения проводов к электроустановочным устройствам, эксплуатируемым в стационарных установках, выполняют так, что к ним можно подсоединять как медные, так и алюминиевые жилы проводов. Зажимы обеспечивают постоянство контактного нажатия и предотвращают выдавливание жилы из-под зажима.

Рис. 21. Схемы соединения и включения в сеть выключателей и переключателей:
а– выключатель однополюсный; б – выключатель двухполюсный; в – выключатель сдвоенный; е – переключатель; д – выключатель для управления с двух мест
Различают зажимы винтовые и штыревые. Винтовые имеют контактный винт с цилиндрической головкой, пружинящее устройство и устройство, предотвращающее выдавливание жилы (предохранительную шайбу). Штыревые зажимы состоят из шпильки с резьбой, ограничительной шайбы, двух обыкновенных шайб и трех гаек.
К винтовым и штыревым зажимам присоединяют однопроволочные и многопроволочные жилы.
По способу установки выключатели и переключатели разделяют на изделия для открытой, скрытой и полускрытой установки, подвесные, проходные, встраиваемые в прибор и подпотолочные.
По роду привода – на одно– и двухклавишные, перекидные, поворотные, ползунковые, одно– и двухкнопочные и со шнурком.
По способу защиты от влияния внешней среды – на защищенные и брызгозащищенные.
Одно– и двухклавишные брызгозащищенные выключатели и переключатели открытой установки эксплуатируют в сухих и влажных помещениях, остальные выключатели и переключатели – только в сухих.
К основанию одноклавишного выключателя для скрытой установки (рис. 22) винтами прикреплены монтажная скоба и распорные лапки, предназначенные для закрепления основания в монтажной коробке или нише. Отверстия в распорных лапках выполнены продолговатыми, и в зависимости от того, насколько ввинчены винты лапок, расстояние между их концами изменяется в пределах 10 мм. На основании установлены также зажимы для проводов, один из которых соединен с неподвижным контактом, а второй – с подвижным, взаимодействующим с клавишей выключателя, размещенной на оси. Крышка выключателя крепится к основанию винтами.

Рис. 22. Выключатель с клавишным приводом для скрытой установки:
а– принцип действия; б – общий вид; в?д – устройство; 1 – клавиша; 2 и 3 – подвижный и неподвижный контакты; 4 – пружина; 5 – толкатель; 6 —рычажок; 7, 9, 14 – винты; 3 – крышка; 10, 11 – зажимы для проводов; 12 – скоба; 13 – распорные лапки; O1 и О2 – оси
Выключатели для открытой установки не имеют монтажной скобы и распорных лапок. Для их крепления в основании выключателя есть отверстия.
Клавиши выключателей могут быть покрыты люминофором, благодаря чему они хорошо видны в темноте.
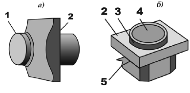
Выключатели, совмещенные со светорегуляторами (регуляторами тока) – бесконтактными приборами, дают возможность плавно регулировать освещенность лампами мощностью 60-100 Вт от нескольких процентов до практически полной с минимальными потерями мощности.
Типы выключателей, совмещенные со светорегуляторами: 1 – для регулирования освещенности рукоятку нужно вращать, а для включения-отключения – нажимать (рис. 23 а); 2 – сенсорный (чувствительный) привод (рис. 23 б). В корпусе 2 этого регулятора собрана электронная схема, которая срабатывает при прикосновении к металлической пластине 4 – при этом лампа включается. При следующем прикосновении электронная схема возвращается в исходное положение, и лампа гаснет. Освещенность регулируют вращением обоймы 3.

Рис. 23. Выключатели, совмещенные со светорегуляторами (регуляторами тока):
а, б– типы выключателей; 1 – регулировочная рукоятка; 2 – корпус; 3 – регулировочная обойма; 4 – металлическая пластина; 5 – распорные лапки
Выключатель-светорегулятор устанавливают в коробку для скрытой проводки. Для его крепления в коробке выключатель имеет распорные лапки.
Штепсельные розетки для стационарной скрытой (рис. 24) и открытой установки могут быть одноместными и двухместными; защищенными, брызгозащищенными, герметическими, пыленепроницаемыми; с защитным (заземляющим или зануляющим) контактом (рис. 25) или без него (в зависимости от того, требует ли зануления (заземления) корпус присоединяемого прибора).

Рис. 24. Штепсельная розетка для скрытой установки:
1 – декоративная крышка; 2 – винт крепления крышки; 3 – отверстия; 4 – направляющие выступы; 5 – корпус; 6 – монтажная скоба; 7 – монтажная коробка; 8 – распорные лапки; 9 – винты; 10 – контактные узлы; 11 – отверстия корпуса; 12 – сквозное отверстие для винта 2; 13 – контактный винт; 14 – скоба; 15 – пластина; 16 – упор; 17 – пружина, препятствующая выдавливанию провода; 18 – провод; 19 – винт; 20 – шайба

Рис. 25. Штепсельная розетка с защитным (заземляющим, зануляющим) контактом:
1 – отверстия для штифтов вилки; 2 – отверстия для защитного штифта; 3 – гнезда штифтов питающих проводов; 4 – гнездо заземляющего штифта
Переносные штепсельные розетки применяются в удлинителях, разветвителях, а также для присоединения бытовых приборов.
Штепсельная розетка для скрытой установки крепится распорными лапками. Конструктивные особенности: достаточное нажатие на штифты вилки обеспечивается пружиной, один конец которой упирается в корпус, а другой – в упор; узел присоединения проводов предотвращает их выдавливание, а постоянство нажатия поддерживает пружинная шайба.
Штепсельная розетка для открытой установки отличается от розетки для скрытой установки узлом крепления и формой крышки.
Штепсельные розетки с зануляющим контактом предназначены для питания электроплит и бытовых электроприборов, требующих зануления (бытовых кондиционеров и т. п.). Два отверстия, выполненные в крышке розетки, служат для рабочих штифтов вилки, к которым присоединены питающие провода, а одно отверстие – для защитного (зануляющего) штифта. Защитный штифт длиннее рабочих, благодаря чему при введении вилки сначало зануляется корпус прибора, а затем только происходит его включение. При выдвижении вилки сначала отключается прибор, и только после этого снимается зануление корпуса.
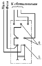
Электроустановочные блоки выключателей с розеткой получили большое распространение (рис. 26) благодаря удобству в эксплуатации.

Рис. 26. Схема присоединения блока выключателя с розеткой:
5 – контактные зажимы розетки; 6 – контактные зажимы выключателей
Конструктивно блоки выключателей с розеткой представляют собой металлическую или пластмассовую коробку, в которой смонтированы два или три выключателя и штепсельная розетка; электроустановочные блоки часто устанавливают в прихожей или коридоре, используют для управления освещением ванной и туалета. Габариты коробки блока БВР-2 (БВР-3), встраиваемой в стену, – 81х147х28 мм, коробки блока БСУЗ – 190х88х44 мм.
Корпус резьбового патрона обычно выполняют из керамики или пластмассы (карболита). В корпусе размещены резьбовая гильза и вкладыш. На вкладыше закреплены боковые и центральный контакты. К гильзе, если она находится под напряжением, нельзя прикоснуться, благодаря чему патроны безопасны. Выпускаются патроны подвесные, потолочные, для установки на стене.
Более 800 000 книг и аудиокниг! 📚
Получи 2 месяца Литрес Подписки в подарок и наслаждайся неограниченным чтением
ПОЛУЧИТЬ ПОДАРОК